Elixir Logistics Elixir Logistics

Apple Cold Storage Evaporator Refrigeration Equipment

Customization: Available
After-sales Service: Oversea Aftersales Is Available
Warranty: 12 Months

Product Description

Basic Specifications

Model NO.
MJH451C04R4-E
Certification
CE, ISO, Craa
Application
Cooler
Principle
Refrigeration Heat Exchanger
Style
Ceiling Type
Material
Stainless Steel
Voltage
380V/3p/50Hz
Fan Motor Dia.
450mm*1PCS
Cooling Capacity
11.82kw
Heat Area
34.60 M2
Air Flow Rate
6090m3/H
Noise
51dB
Transport Package
Wooden Casing
Origin
China

Packaging & Delivery

Package Size
60.00cm * 50.00cm * 50.00cm
Gross Weight
56.000kg

Product Description

Evaporator units are suitable for any kinds of cold storage for food, vegetables, food processing workshops, and logistics centers. The compact design of our evaporators saves significant space, and we utilize external fan motors with lower noise to ensure a comfortable environment. Our cooling capacity ranges from 1.0kw to 210kw, compatible with refrigerants such as R134A, R22, R404A, R507C, and R407C.

🌟 Key Features

  • Designed using advanced European technology for maximum efficiency.
  • External casing options include stainless steel or galvanized steel sheet with electrostatic spraying, meeting strict hygiene standards.
  • Inner casing features anti-corrosive aluminium sheet and a floating coil design to prevent pipe breakage.
  • Utilizes 15.88mm copper pipes and 12.7mm inner thread copper pipes for enhanced heat exchange.
  • Fins stamping equipment adopts scientific molds to reduce wind resistance.
  • Equipped with extended wind guides to improve motor efficiency and air flow (for motors over 500mm).
  • Includes a windshield at the bottom of fan coils to prevent air bypass through the water tray.
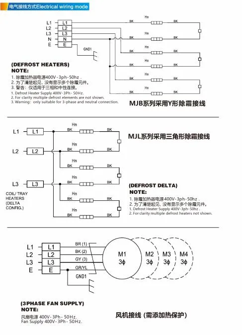
  • Equipped with international brand external fan motors and high-quality stainless steel electric heaters for rapid defrosting.
  • Optimized pipe rows and liquid distributors based on varied operating conditions.
  • Compact design saves refrigerant volume; middle and large units include installation frames for easy transport.

📋 Model Description

MJ L 50 3 C 06 R6 -F

MJ: Brand Identification
L: Type (L: Large industrial, B: Commercial, H: High efficiency)
50: Fan diameter (50 means 500mm fan motor)
3: Fan quantity
C: Module type (C: Square, T: Triangle, D: Double air out)
06: Fin spacing
R6: Pipe rows
-F: Casing & Defrost options (S: s/s, L: aluminum, E: electrical defrost, H: hot gas, W: water defrost)

Model MJH451C04R4-E MJH451C04R6-E MJH452C04R4-E MJH452C04R6-E MJH453C04R4-E MJH453C04R6-E MJH454C04R4-E MJH454C04R6-E
Cooling Capacity (kw) SC1 (Δt=10K) 11.82 15.08 23.79 30.72 36.02 46.09 48.25 62.27
SC2 (Δt=8K) 7.54 10.00 15.56 20.30 23.57 30.44 31.57 41.11
SC3 (Δt=7K) 6.00 7.56 11.98 15.66 18.13 23.45 24.29 31.70
Heat Exchange (m2) 34.60 51.80 68.00 102.00 102.60 153.60 137.30 205.90
Air Flow Rate (m³/h) 6090 5670 12110 11270 18210 16930 24300 22610
Defrost Power (W) 4500 5400 7500 9000 11250 13500 14000 16800

🏭 Work Shop Display

Frequently Asked Questions

Q1: What applications are these evaporators suitable for? They are ideal for various cold storage environments, including food and vegetable storage, food processing workshops, and large-scale logistics centers.
Q2: Which refrigerants are compatible with this equipment? Our units support a wide range of Freon refrigerants such as R134A, R22, R404A, R507C, and R407C.
Q3: How does the unit ensure efficient heat exchange? We use advanced European technology, high-quality copper pipes (including inner thread options), and optimized pipe row designs to maximize thermal efficiency.
Q4: What materials are used for the casing? Customers can choose between stainless steel or galvanized steel sheets with electrostatic spraying, both of which comply with international hygiene standards.
Q5: Is the equipment noisy during operation? No, we specifically select external fan motors known for their lower noise levels to maintain a comfortable working environment.
Q6: Are there different defrosting options available? Yes, we offer multiple defrosting methods including electrical defrost (using high-quality stainless steel heaters), hot gas defrost, and water defrost.

Related Products